THE AVIATION SUPERSTORE FOR ALL YOUR AIRCRAFT & PILOT NEEDS | +61 (1800) 953522
Thumbs 1
Thumbs 1
Thumbs 1
Thumbs 1
Thumbs 1
Thumbs 1
+2 More

SkySports Roto Tachometer and Sender

Select Model
4 IMP / Rev10 IMP / Rev
Price Includes GST
Quantity
Add to Wishlist

Overview

SkySports Roto Tachometer and Sender 0-700.

T-7-4: 4 IMP/rev for both hall and inductive PNP type sensors.

T-7-10: 10 IMP/rev for both hall and inductive PNP type sensors

Non-TSO'd.

Specifications

  • Maximum rotor speed : 700 rpm
  • color marking
  • 53 mm caliber.
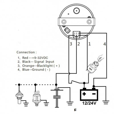
  • Operating Voltge:9-32VDC
  • Operating current:≤60mA
  • Backlit lighting RED
  • Protection level: IP67
  • Weight:60g

Reviews

Q&A

Please note, Aircraft Spruce Australia's personnel are not certified aircraft mechanics and can only provide general support and ideas, which should not be relied upon or implemented in lieu of consulting an A&P or other qualified technician. Aircraft Spruce Australia assumes no responsibility or liability for any issue or problem which may arise from any repair, modification or other work done from this knowledge base. Any product eligibility information provided here is based on general application guides and we recommend always referring to your specific aircraft parts manual, the parts manufacturer or consulting with a qualified mechanic.

  • Did You Mean?
  • Categories