THE AVIATION SUPERSTORE FOR ALL YOUR AIRCRAFT & PILOT NEEDS | +61 (1800) 953522

Tanis Pad Heat Element - Tep2650-230/120

$187.00/Each
Price Includes GST
Part# 05-14749
MFR Model# TA2650-2

Overview

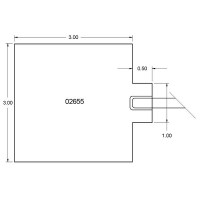
Tanis Pad Heat Elements- 230 Volt
  • Dimensions: 1.75" X 7"
  • Voltage/ Wattage: 230V/120W
  • Description: Shape: Rectangular, Connection: Pin
  • Customers Also Viewed
  • Related Items

Reviews

Q&A

Please note, Aircraft Spruce Australia's personnel are not certified aircraft mechanics and can only provide general support and ideas, which should not be relied upon or implemented in lieu of consulting an A&P or other qualified technician. Aircraft Spruce Australia assumes no responsibility or liability for any issue or problem which may arise from any repair, modification or other work done from this knowledge base. Any product eligibility information provided here is based on general application guides and we recommend always referring to your specific aircraft parts manual, the parts manufacturer or consulting with a qualified mechanic.

View in Catalog

View Image View in Catalog