
(Hover to zoom | Use mouse wheel for +/-)
| No. | Status | Rotax Part Number | Description | Qty | PN | Price | Buy |
|---|---|---|---|---|---|---|---|
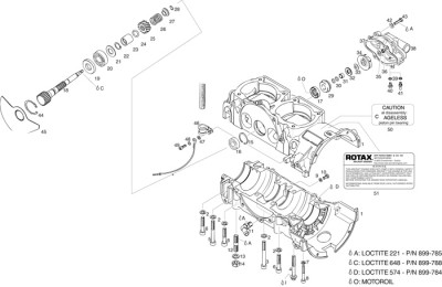
| 4 | 841-306 | COLLAR HEX. SCREW M8X65 SW 11 | 2 | 15-01167 | $3.59 | ||
| 5 | 841-841 | ALLEN SCREW M8X65 DIN 912 | 2 | 15-01214 | $1.64 | ||
| 6 | 841-561 | COLLAR HEX. SCREW M8X65 SW 11 | 6 | 15-01192 | $0.63 | ||
| 10 | 240-771 | HEX.SCREW M6X10 | 1 | 15-00153 | $0.39 | ||
| 15 | 845-150 | RETAINING RING 30X1,2 | 1 | 15-01293 | $1.32 | ||
| 16 | 932-330 | BALL BEARING 16101-Z | 1 | 15-03064 | $31.64 | ||
| 17 | 850-975 | OIL SEAL A 12X30X7 NBR | 1 | 15-01493 | $23.16 | ||
| 19 | 930-580 | OIL SEAL 20X40X7 | 1 | 15-03040 | $18.58 | ||
| 21 | 227-439 | SHIM 17, 2/32, 5/1, 5 | 1 | 15-00043 | $3.03 | ||
| 22 | 845-450 | RETAINING RING 17X1 | 1 | 15-01309 | $0.83 | ||
| 23 | 847-282 | SPACER | 1 | 15-01324 | $10.64 | ||
| 24 | 831-500 | O-RING 14-3 | 1 | 15-00919 | $3.32 | ||
| 27 | 827-430 | SPRING HOLDING CUP | 1 | 15-00842 | $8.58 | ||
| 29 | 850-942 | ROTARY SEAL | 1 | 15-01487 | $67.10 | ||
| 30 | 430-800 | O-RING 8X2 | 2 | 15-00536 | $5.94 | ||
| 31 | 847-810 | ROTARY SEAL SLEEVE | 1 | 15-01382 | $16.38 | ||
| 33 | 227-155 | FRICTION WASHER | 1 | 15-00041 | $7.10 | ||
| 40 | 841-580 | HEX. SCREW M6X8 | 1 | 15-01194 | $0.39 | ||
| 43 | 240-036 | HEX. SCREW M6X25 DIN 933 | 4 | 15-00113 | $0.58 | ||
| 44 | 945-880 | RETAINING RING 40X1,75 | 1 | 15-03377 | $2.19 | ||
| 45 | N.A. | 924-507 | ROTARY VALVE 151 DEGR. | 1 | 15-02955 | $73.91 | |
| 47 | 827-800 | WASHER A 5,5 DIN 6902 | 1 | 15-00860 | $0.30 | ||
| 48 | 945-750 | LOCK WASHER A5 | 1 | 07-00435 | $1.97 |
|
ROTAX 618 UL Engine Crankcase, rotary valve drive, water pump parts. Explanations of symbols and statements in part number charts:
![]() |
good
Bing Lock Washer A5 With Screw Only 5M 140-566-04
Please note, Aircraft Spruce Australia's personnel are not certified aircraft mechanics and can only provide general support and ideas, which should not be relied upon or implemented in lieu of consulting an A&P or other qualified technician. Aircraft Spruce Australia assumes no responsibility or liability for any issue or problem which may arise from any repair, modification or other work done from this knowledge base. Any product eligibility information provided here is based on general application guides and we recommend always referring to your specific aircraft parts manual, the parts manufacturer or consulting with a qualified mechanic.