
(Hover to zoom | Use mouse wheel for +/-)
|
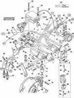
Rotax 447 UL Engine Ignition Housing, Air Guides: Configuration Free Air Cooled Explanations of symbols and statements in part number charts:
![]() |
Perfect
ROTAX 852-412 STARTING PULLEY
I would of hoped they would of been hardened nuts , but there just plain old metric nut you could buy over the counter ag shop.
ROTAX 242-209 HEX. NUT M8
Please note, Aircraft Spruce Australia's personnel are not certified aircraft mechanics and can only provide general support and ideas, which should not be relied upon or implemented in lieu of consulting an A&P or other qualified technician. Aircraft Spruce Australia assumes no responsibility or liability for any issue or problem which may arise from any repair, modification or other work done from this knowledge base. Any product eligibility information provided here is based on general application guides and we recommend always referring to your specific aircraft parts manual, the parts manufacturer or consulting with a qualified mechanic.