THE AVIATION SUPERSTORE FOR ALL YOUR AIRCRAFT & PILOT NEEDS | +61 (1800) 953522

ROTAX 860-425 RUBBER SPACER

$5.39/Piece
Price Includes GST
Quantity
Add to Wishlist
Part# 15-01702
MFR Model# 860-425
No.Part NumberDescriptionQty Req Mod. 99Qty Req Mod. 17Part Number
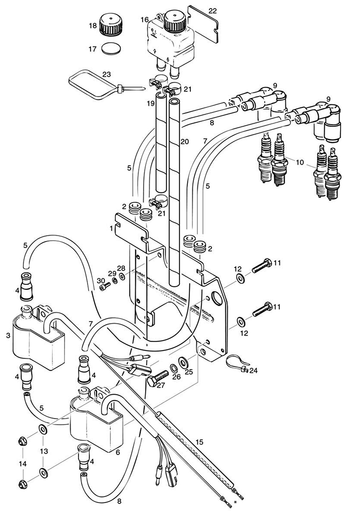
22860-425RUBBER SPACER 1115-01702

Overview

- Items not illustrated
  • a For ignition circuit 1
  • b For ignition circuit 2
  • c To fix oil tube resp. cable harness
  • d In a roll
  • e See Service Instruction SI-2ST-010


Explanations of symbols and statements in part number charts:
  • N = Newly introduced part number
  • s.v. = Still valid. Part was replaced by compatible component and can not be supplied any longer by the producer. Existing stock may be used.
  • AR = As required. This generally refers to shims, hose, wires, and cable. Measure the amount you need before ordering. Many times there will be multiple listings of different lengths with the same part number. Use individual part descriptions to determine the proper length needed.
  • n.a or NLA = No longer available, no replacement from Rotax. Part is no longer available due to incompatibility to current production or unavailability of part.
  • CALL = Please call for price, 800-247-9653

Notes









965-153 SOLD IN METER LENGTHS. FOR CORRECT LENGTHS NEEDED, SEE DESCRIPTION OF INDIVIDUAL PARTS BELOW.
No.
Status
Part No.
Descriptions
QTY mod.90
QTY mod.99
PRICE
5
965-153
IGNITION CABLE 360 MM
2ad
2ad
*
7
  * IGNITION CABLE 180 MM
1bd
1bd
*
8
* IGNITION CABLE 440 MM
1bd
1bd
*
 
20
* OIL HOSE 155 MM
1d
$51.29
21
* OIL HOSE 360 MM
1d
$51.29
956-140 SOLD IN METER LENGTHS. FOR CORRECT LENGTHS NEEDED, SEE DESCRIPTION OF INDIVIDUAL PARTS BELOW.
20
956-140
* OIL HOSE 155 MM
1d
*
21
956-140
* OIL HOSE 360 MM
1d
*

Reference Chart

  • Frequently Purchased With

Reviews

Q&A

Please note, Aircraft Spruce Australia's personnel are not certified aircraft mechanics and can only provide general support and ideas, which should not be relied upon or implemented in lieu of consulting an A&P or other qualified technician. Aircraft Spruce Australia assumes no responsibility or liability for any issue or problem which may arise from any repair, modification or other work done from this knowledge base. Any product eligibility information provided here is based on general application guides and we recommend always referring to your specific aircraft parts manual, the parts manufacturer or consulting with a qualified mechanic.

  • Did You Mean?
  • Categories