THE AVIATION SUPERSTORE FOR ALL YOUR AIRCRAFT & PILOT NEEDS | +61 (1800) 953522

ROTAX 260-810 CONNECTOR SHEATH

$11.55/Each
Price Includes GST
Quantity
Add to Wishlist
Part# 15-00313
MFR Model# 260-810
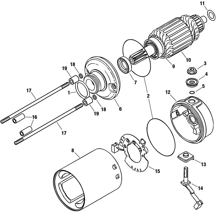
No.Rotax NumberDescriptionQty ReqPN
13260-810CONNECTOR SHEATH115-00313

Overview

- Items not illustrated
  • a Only for transport


Explanations of symbols and statements in part number charts:
  • N = Newly introduced part number
  • s.v. = Still valid. Part was replaced by compatible component and can not be supplied any longer by the producer. Existing stock may be used.
  • AR = As required. This generally refers to shims, hose, wires, and cable. Measure the amount you need before ordering. Many times there will be multiple listings of different lengths with the same part number. Use individual part descriptions to determine the proper length needed.
  • n.a or NLA = No longer available, no replacement from Rotax. Part is no longer available due to incompatibility to current production or unavailability of part.
  • CALL = Please call for price, 800-247-9653

Notes

No.
Status
Part No.
Description
912 UL
912 ULS
914 UL
Price
3 1-17
xxx-xxx
See fig. 1 pos. 8
1
1
1
-
6
n.a.
xxx-xxx
SUPPORT
1
1
1
-
8
n.a.
xxx-xxx
STATOR YOKE ASSEMBLY
1
1
1
-
10
n.a.
xxx-xxx
ROTOR ASSEMBLY
1
1
1
-
12
n.a.
xxx-xxx
ROTOR SUPPORT ASSEMBLY
1a
1a
1a
-
13
n.a.
xxx-xxx
CARBON BRUSH ASSY.
1a
1a
1a
-
14
n.a.
xxx-xxx
BRUSH HOLDER WITH SPRINGS
1a
1a
1a
-
15
n.a.
xxx-xxx
BRUSH HOLDER WITH SPRINGS
1a
1a
1a
-

Reference Chart

Reviews

Q&A

Please note, Aircraft Spruce Australia's personnel are not certified aircraft mechanics and can only provide general support and ideas, which should not be relied upon or implemented in lieu of consulting an A&P or other qualified technician. Aircraft Spruce Australia assumes no responsibility or liability for any issue or problem which may arise from any repair, modification or other work done from this knowledge base. Any product eligibility information provided here is based on general application guides and we recommend always referring to your specific aircraft parts manual, the parts manufacturer or consulting with a qualified mechanic.

  • Did You Mean?
  • Categories