THE AVIATION SUPERSTORE FOR ALL YOUR AIRCRAFT & PILOT NEEDS | +61 (1800) 953522
Thumbs 1
Thumbs 1

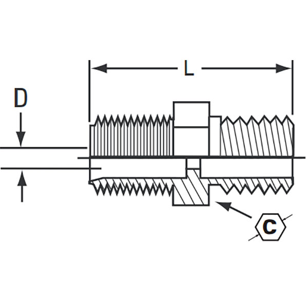
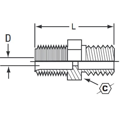
3/8 Tube, 3/8 Male NPT Nylon Compression Connector

$4.79/Each
Price Includes GST
Quantity
Add to Wishlist
Part# 12-05474
MFR Model# 1568X6X6G
Tube O.D.Male
Pipe Thread
OEM P/NLDCP/N
3/83/81568x6x6G1.340.3813/1612-05474

Overview

1568 Series Male NPT Nylon Compression Connector.

Specifications

  • Connection Type A x B: Tube x Male NPT
  • Material: Nylon
  • Specifications: FDA, NSF
  • Type: Compression Connector
  • Working Pressure: 220 psi
  • Frequently Purchased With
  • Customers Also Viewed
  • Related Items

Reviews

Q&A

Please note, Aircraft Spruce Australia's personnel are not certified aircraft mechanics and can only provide general support and ideas, which should not be relied upon or implemented in lieu of consulting an A&P or other qualified technician. Aircraft Spruce Australia assumes no responsibility or liability for any issue or problem which may arise from any repair, modification or other work done from this knowledge base. Any product eligibility information provided here is based on general application guides and we recommend always referring to your specific aircraft parts manual, the parts manufacturer or consulting with a qualified mechanic.

View in Catalog

View Image View in Catalog
  • Did You Mean?
  • Categories