THE AVIATION SUPERSTORE FOR ALL YOUR AIRCRAFT & PILOT NEEDS | +61 (1800) 953522
Thumbs 1
Thumbs 1

Piper Tailpipe Brace Clamp

$95.43/Each
Price Includes GST
Quantity
Add to Wishlist
Part# 05-07520
MFR Model# U80002-022

Overview

New Manufactured, FAA/PMA Approved, Stainless Steel Original Design, Exhaust Headers and Muffler with Safety Bail already installed.

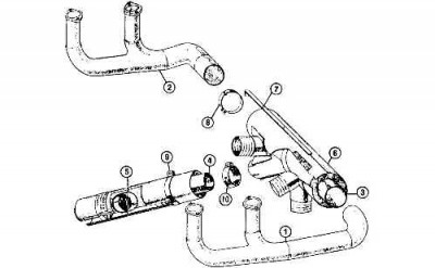
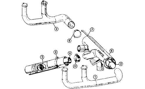
Key for Image:
1. Left Exhaust Stack
2. Right Exhaust Stack
3. Muffler Assembly, Less Shroud
4. Tailpipe
5. Tailpipe Shroud
6. Muffler Shroud
7. Slide Clip
8. Muffler Stack Connecting Clamp(2 Required)
9. Tailpipe Brace Clamp
10. Muffler Clamp

Reviews

Q&A

Please note, Aircraft Spruce Australia's personnel are not certified aircraft mechanics and can only provide general support and ideas, which should not be relied upon or implemented in lieu of consulting an A&P or other qualified technician. Aircraft Spruce Australia assumes no responsibility or liability for any issue or problem which may arise from any repair, modification or other work done from this knowledge base. Any product eligibility information provided here is based on general application guides and we recommend always referring to your specific aircraft parts manual, the parts manufacturer or consulting with a qualified mechanic.

Q: Will these exhaust stacks fit a J3 with a C-85 engine?

The manufacturer only lists the J3 with an A-65 on their application chart.

View in Catalog

View Image View in Catalog
  • Did You Mean?
  • Categories