THE AVIATION SUPERSTORE FOR ALL YOUR AIRCRAFT & PILOT NEEDS | +61 (1800) 953522

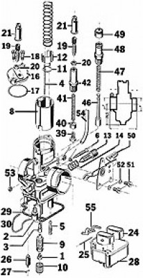
Replacement Parts For Bing Type 84 Carburetor

From $9.35 to $230.94
Prices below incude GST
No. Rotax Reference No. Description Part Number Price Buy
2261-692Atomizer
07-00442
$56.93
Quantity
3261-606Needle Jet
07-00443
$32.95
Quantity
4261-643Jet Needle
05-01994
$33.94
Quantity
5963-140Jet Needle 8H1
07-00385
$80.03
Quantity
6963-155Air Screw
07-00386
$32.45
Quantity
7831-713O Ring
15-00929
$9.35
Quantity
8261-635Piston
07-00446
$157.03
Quantity
9963-130Jet Stock
07-00447
$44.55
Quantity
10261-625Screen
07-00390
$23.82
Quantity
16261-660Cover
07-00451
$52.25
Quantity
28963-170Bowl
07-00454
$104.23
Quantity
30963-180Bowl Clip
07-00424
$26.95
Quantity
39963-740Piston
07-00425
$22.55
Quantity
42963-750Housing
07-00428
$62.59
Quantity
46268-847Piston
07-00429
$53.35
Quantity
48261-770Housing
07-00431
$230.94
Quantity
50261-750Lever
07-00455
$62.59
Quantity
54256-033Vent Tube
07-00437
$30.79
Quantity
Subtotal $0.00
Add to Wishlist

Overview

Replacement Parts for Bing Type 84 Carburetor. Commonly used on Rotax Engines.

Reviews

good

Kim B Verified Purchase

Bing Start Piston Type 54 & 84 22-956-03

October 28, 2024

Not sure why these tubes are so expensive but they do a great job and seem to be good quality.

Michael H Verified Purchase

Bing Plastic Air Vent Tube 280MM 80-697-00

July 28, 2023

Not sure why these tubes are so expensive but they really look nice and do the required job.

Michael H Verified Purchase

Bing Plastic Air Vent Tube 280MM 80-697-00

July 28, 2023

Wings A Verified Purchase

Bing Main Jet Sieve Screen 57-706-06

August 3, 2021

Q&A

Please note, Aircraft Spruce Australia's personnel are not certified aircraft mechanics and can only provide general support and ideas, which should not be relied upon or implemented in lieu of consulting an A&P or other qualified technician. Aircraft Spruce Australia assumes no responsibility or liability for any issue or problem which may arise from any repair, modification or other work done from this knowledge base. Any product eligibility information provided here is based on general application guides and we recommend always referring to your specific aircraft parts manual, the parts manufacturer or consulting with a qualified mechanic.

View in Catalog

View Image View in Catalog
  • Did You Mean?
  • Categories