THE AVIATION SUPERSTORE FOR ALL YOUR AIRCRAFT & PILOT NEEDS | +61 (1800) 953522
Thumbs 1
Thumbs 1

Concorde RG-380E/44Ksh Aircraft Battery

$16795.90/Each
Price Includes GST
Quantity
Add to Wishlist
Part# 11-11635
MFR Model# RG-380E/46KSH

Overview

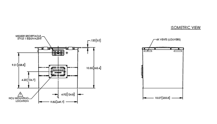
Concorde recombinant gas (RG® Series) valve regulated lead acid (VRLA) heated batteries for engine starting and emergency / essential power applications are constructed with cutting edge Absorbed Glass Mat (AGM) technology. Concorde’s proprietary PolyGuard® Microporous Polyethylene Separator shields the positive plates against shorting, shock or vibration. No other manufacturer offers this dual layer insulation protection feature. RG-380E/44KSH is constructed in a fireproof stainless steel container with side louvered vents, a stainless steel cover and stainless steel hold down bar.
  • TSO Approved
  • Superior starting power
  • Reliable essential power in the event of a generator failure
  • Low impedance design
  • Maintenance free
  • Constructed with non removable vent valves - no addition of electrolyte or water required
  • Internal AC Heater - 115VAC
  • Internal DC Heater - 28VDC
  • Aerobatic: Non spillable at any altitude or attitude
  • Factory tested to assure airworthiness

Specifications

  • Primary Aircraft Purpose: Turbine Starting Aircraft Battery
  • Voltage: 24v
  • Rated Capacity C1 = 1 hr. rate in ampere hours: 42.00
  • Max Weight: 91.00 lb / 41.3 kg

Reviews

Q&A

Please note, Aircraft Spruce Australia's personnel are not certified aircraft mechanics and can only provide general support and ideas, which should not be relied upon or implemented in lieu of consulting an A&P or other qualified technician. Aircraft Spruce Australia assumes no responsibility or liability for any issue or problem which may arise from any repair, modification or other work done from this knowledge base. Any product eligibility information provided here is based on general application guides and we recommend always referring to your specific aircraft parts manual, the parts manufacturer or consulting with a qualified mechanic.

View in Catalog

View Image View in Catalog
  • Did You Mean?
  • Categories