THE AVIATION SUPERSTORE FOR ALL YOUR AIRCRAFT & PILOT NEEDS | +61 (1800) 953522
Thumbs 1
Thumbs 1
Thumbs 1

Triangle Mfg Bearings

From $2.40 to $13.04
Prices below incude GST
MFR Part No. ID (In.) Bearing Material PN Price Buy
FMN41/4Nylon
05-02622
$3.74
Quantity
FMN55/16Nylon
05-02623
$8.25
Quantity
FM1406P3/8Bronze
05-02625
$8.63
Quantity
FMN63/8Nylon
05-02626
$2.40
Quantity
FMN77/16Nylon
05-02628
$2.81
Quantity
FMN81/2Nylon
05-02619
$6.38
Quantity
FM1408P1/2Bronze
05-02627
$13.04
Quantity
FMN105/8Nylon
05-01879
$7.15
Quantity
FM1510P5/8Iron
05-02629
$5.00
Quantity
FM1410P5/8Bronze
05-14904
$11.55
Quantity
FMN123/4Nylon
05-02620
$4.12
Quantity
FM1512P3/4Iron
05-02621
$3.69
Quantity
Subtotal $0.00
Add to Wishlist

Overview

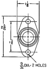
These bearings are spherical on the outside and are contained in a flanged, stamped metal cage, so they provide sliding, rotating, and pivoting motion. The bearings are available in nylon, bronze, or iron as shown in the table below. The FMN10 is used in the wing roots and on the torque tubes inside the fuselage of the Cozy Mark IV.
  • Frequently Purchased With
  • Customers Also Viewed

Reviews

Maag A Verified Purchase

Triangle Bearing 1/4 Nylon

October 24, 2023

Worked perfect for my application. Great service and prompt shipping!

Buck R
October 23, 2020

Perfect it was the right bearing that we needed it was a perfect fit. Your company was easy to work with!!!

Richard
March 4, 2019

It was fast and fit really great. Now we found you we will be working them a lot.

Mac
November 18, 2017

These move much better than the 3/8 versions I bought but the ball centers had a lot of flash on them, requiring some trimming.

Christopher F Verified Purchase

Triangle Bearing 3/4 Nylon

January 4, 2022

These will not mis-align without shaving off material for the nylon center. The last versions I bought did not have this issue. I consider these unusable.

Christopher F Verified Purchase

Triangle Bearing 3/8 Nylon,

January 4, 2022

Q&A

Please note, Aircraft Spruce Australia's personnel are not certified aircraft mechanics and can only provide general support and ideas, which should not be relied upon or implemented in lieu of consulting an A&P or other qualified technician. Aircraft Spruce Australia assumes no responsibility or liability for any issue or problem which may arise from any repair, modification or other work done from this knowledge base. Any product eligibility information provided here is based on general application guides and we recommend always referring to your specific aircraft parts manual, the parts manufacturer or consulting with a qualified mechanic.

  • Did You Mean?
  • Categories