THE AVIATION SUPERSTORE FOR ALL YOUR AIRCRAFT & PILOT NEEDS | +61 (1800) 953522
Thumbs 1
Thumbs 1

Plain Bearing MS14104-4

$30.41/Each
Price Includes GST
Quantity
Add to Wishlist
Part# MS14104-4
MFR Model# MS14104-4

Overview

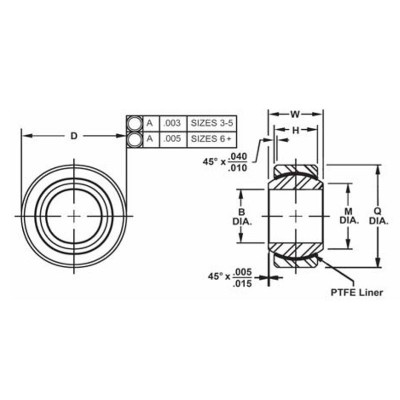
Bearing - Inner Diameter: 1/4" Outer Diameter: 21/32", Plain, Self-Lubricating, Self-Aligning, Low Speed, Narrow, Chamfered Outer Ring, -65°, F To 325°, F.

Specifications

Detail Characteristic
BORE DIAMETER 0.2495 INCHES MINIMUM AND 0.2500 INCHES MAXIMUM
HARDNESS RATING 55.0 ROCKWELL C MINIMUM INNER MEMBER AND 62.0 ROCKWELL C MAXIMUM INNER MEMBER
HARDNESS RATING 23.0 ROCKWELL C MINIMUM OUTER RACE MEMBER AND 35.0 ROCKWELL C MAXIMUM OUTER RACE MEMBER
INNER MEMBER WIDTH 0.3410 INCHES MINIMUM AND 0.3430 INCHES MAXIMUM
OUTER MEMBER OUTSIDE DIAMETER 0.6557 INCHES MINIMUM AND 0.6562 INCHES MAXIMUM
OUTER MEMBER WIDTH 0.2450 INCHES MINIMUM AND 0.2550 INCHES MAXIMUM
MATERIAL PLASTIC POLYTETRAFLUOROETHYLENE RACE LINER
MATERIAL STEEL COMP 440C INNER MEMBER
MATERIAL STEEL COMP 630 OUTER RACE MEMBER
STATIC RADIAL LOAD RATING 6040 POUNDS
STYLE DESIGNATOR WITH INSERT AND/OR LINER

Reviews

RECEIVED IN GOOD ORDER

Southwest F Verified Purchase

Bearing Plain Spherical Self-Lube MS14104-4

July 15, 2025

Q&A

Please note, Aircraft Spruce Australia's personnel are not certified aircraft mechanics and can only provide general support and ideas, which should not be relied upon or implemented in lieu of consulting an A&P or other qualified technician. Aircraft Spruce Australia assumes no responsibility or liability for any issue or problem which may arise from any repair, modification or other work done from this knowledge base. Any product eligibility information provided here is based on general application guides and we recommend always referring to your specific aircraft parts manual, the parts manufacturer or consulting with a qualified mechanic.

  • Did You Mean?
  • Categories