THE AVIATION SUPERSTORE FOR ALL YOUR AIRCRAFT & PILOT NEEDS | +61 (1800) 953522
Thumbs 1
Thumbs 1

Aurora Bearing XAM-4T

$65.73/Each
Price Includes GST
Quantity
Add to Wishlist
Part# 05-32623
MFR Model# XAM-4T

Overview

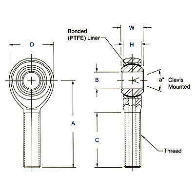
Aurora Bearing XAM-4T

Specifications

Part Number XAM-4T
Thread Type Right Hand
Thread Configuration Male
B - Ball Bore .2500 in
W - Ball Width .375 in
H - Head Width .281 in
A - Base to Center 1.875 in
D - Head Diameter .875 in
Ball Diameter .500 in
C - Thread Length 1.250 in
Thread Size 5/16-24
Thread Class UNF-3A
a - Misalignment Angle Clevis Mounted 13 º
Ultimate Radial Static Load Capacity 8,452 lbs
Approximate Brg. Weight .07 lb
Type of Lubrication PTFE liner

Reviews

Q&A

Please note, Aircraft Spruce Australia's personnel are not certified aircraft mechanics and can only provide general support and ideas, which should not be relied upon or implemented in lieu of consulting an A&P or other qualified technician. Aircraft Spruce Australia assumes no responsibility or liability for any issue or problem which may arise from any repair, modification or other work done from this knowledge base. Any product eligibility information provided here is based on general application guides and we recommend always referring to your specific aircraft parts manual, the parts manufacturer or consulting with a qualified mechanic.

  • Did You Mean?
  • Categories